Zbiornik Sprężonego Powietrza DB VZ 500/11 V Aircraft 2500650
Promocja
Polecany
Zbiornik Sprężonego Powietrza DB VZ 500/11 V Aircraft 2500650
- Zbiornik sprężonego powietrza wg AD 2000 / bez kompletu armatury / 11 i 16 bar
- Ocynkowany ogniowo wewnątrz i na zewnątrz
- Zbudowany zgodnie z Dyrektywą WE 87/404 / EEC lub PED 97/23 / EC -AD 2000, Moduł: H / H 1
- Warunki pracy wg AD 2000 - S1 (10/2000) = przyloty i odloty oraz 20% zakres wahań ciśnienia
- Producent z certyfikatem ISO 9001:2015
DANE TECHNICZNE:
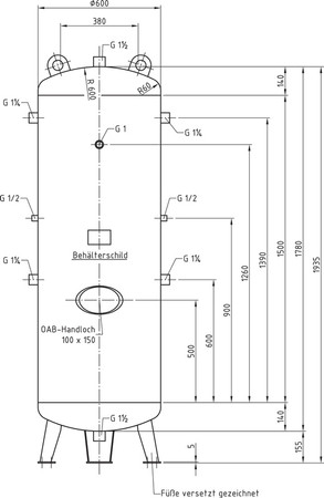
- Pojemność zbiornika: 500l
- Maksymalne ciśnienie: 11bar
- Typ: Stojąca
- Otwarcie serwisowe: otwór na dłoń
- Zgodność z AD 2000: tak
- Waga: 150kg
Zapytaj o produkt
Napisz swoją opinię






